DESCRIPTION:
TM : Single deflection Return Grilles, with adjustable horizontal or
vertical blades.
TM-Y : Single deflection Return Grilles, with adjustable horizontal
blades.
TM-D : Single deflection Return Grilles, with adjustable vertical blades.
MATERIAL :
Specially extruded from 6063 aluminium profile.
FUNCTION :
It is used as air extraction grille in air ventilation systems.
FINISHING :
·
Standard finishing is natural
anodized. Electrostatic powder coating is optional.
·
Standard colours are RAL 9010 and
RAL 9016 . Other colours are available with enamel paint.
INSTALLATION :
·
System with screws is standard.
·
System with clips and plate
spring is used if no hole is requested on the frame.
ACCESSORIES:
·
If desired, it is possible to add
a damper to adjust the amount of air to be collected.
PKD: Parallel Blade Damper
ZKD: Opposite Blade Damper
·
PK: Plenum Box
·
KK: Subframe
STANDARD SIZES (mm) :

W : 100-150-200-250-300-350-400-450-500-550-600-650-700-750-800-900-1000-1100-1200
H :
100-150-200-250-300-350-400-450-500-550-600-650-700-750-800-900-1000
* Any combination of these
sizes
FRAME TYPES :

28mm frame
22mm frame
32mm frame
DRAWINGS :
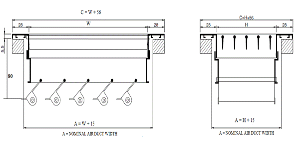
RETURN
GRILLES DIMENSIONS :

RETURN
GRILLES WITH PARALLEL BLADE DAMPER DIMENSIONS
TM-PKD

RETURN
GRILLES WITH OPPOSITE BLADE DAMPER DIMENSIONS
TM-ZKD

RETURN GRILLES SELECTION TABLE -
1
|
NECK
SIZE |
EFFECTIVE
AREA m2 |
AIR
VELOCITY m/s |
|||||||||||||||||
|
1,5 m/s |
2 m/s |
2,5 m/s |
3 m/s |
4 m/s |
5 m/s |
6 m/s |
7 m/s |
8 m/s |
|||||||||||
|
100x100 |
0,008 |
43 |
m3/h |
58 |
m3/h |
72 |
m3/h |
86 |
m3/h |
115 |
m3/h |
144 |
m3/h |
173 |
m3/h |
202 |
m3/h |
230 |
m3/h |
|
100x150 |
0,012 |
65 |
m3/h |
87 |
m3/h |
109 |
m3/h |
131 |
m3/h |
174 |
m3/h |
218 |
m3/h |
261 |
m3/h |
305 |
m3/h |
348 |
m3/h |
|
100x200 |
0,016 |
87 |
m3/h |
117 |
m3/h |
146 |
m3/h |
175 |
m3/h |
233 |
m3/h |
292 |
m3/h |
350 |
m3/h |
408 |
m3/h |
467 |
m3/h |
|
100x250 |
0,020 |
110 |
m3/h |
146 |
m3/h |
183 |
m3/h |
219 |
m3/h |
292 |
m3/h |
365 |
m3/h |
438 |
m3/h |
512 |
m3/h |
585 |
m3/h |
|
100x300 |
0,024 |
132 |
m3/h |
176 |
m3/h |
220 |
m3/h |
264 |
m3/h |
351 |
m3/h |
439 |
m3/h |
527 |
m3/h |
615 |
m3/h |
703 |
m3/h |
|
150x150 |
0,018 |
96 |
m3/h |
127 |
m3/h |
159 |
m3/h |
191 |
m3/h |
255 |
m3/h |
319 |
m3/h |
382 |
m3/h |
446 |
m3/h |
510 |
m3/h |
|
150x200 |
0,024 |
128 |
m3/h |
171 |
m3/h |
213 |
m3/h |
256 |
m3/h |
341 |
m3/h |
427 |
m3/h |
512 |
m3/h |
597 |
m3/h |
683 |
m3/h |
|
150x250 |
0,030 |
160 |
m3/h |
214 |
m3/h |
267 |
m3/h |
321 |
m3/h |
428 |
m3/h |
535 |
m3/h |
642 |
m3/h |
748 |
m3/h |
855 |
m3/h |
|
150x300 |
0,036 |
193 |
m3/h |
257 |
m3/h |
321 |
m3/h |
386 |
m3/h |
514 |
m3/h |
643 |
m3/h |
771 |
m3/h |
899 |
m3/h |
1028 |
m3/h |
|
150x350 |
0,042 |
225 |
m3/h |
300 |
m3/h |
375 |
m3/h |
450 |
m3/h |
600 |
m3/h |
751 |
m3/h |
901 |
m3/h |
1051 |
m3/h |
1201 |
m3/h |
|
150x400 |
0,048 |
258 |
m3/h |
343 |
m3/h |
429 |
m3/h |
515 |
m3/h |
687 |
m3/h |
859 |
m3/h |
1030 |
m3/h |
1202 |
m3/h |
1374 |
m3/h |
|
150x450 |
0,054 |
290 |
m3/h |
387 |
m3/h |
483 |
m3/h |
580 |
m3/h |
773 |
m3/h |
967 |
m3/h |
1160 |
m3/h |
1353 |
m3/h |
1547 |
m3/h |
|
150x500 |
0,060 |
322 |
m3/h |
430 |
m3/h |
537 |
m3/h |
645 |
m3/h |
860 |
m3/h |
1075 |
m3/h |
1290 |
m3/h |
1504 |
m3/h |
1719 |
m3/h |
|
150x600 |
0,069 |
373 |
m3/h |
497 |
m3/h |
621 |
m3/h |
745 |
m3/h |
994 |
m3/h |
1242 |
m3/h |
1490 |
m3/h |
1739 |
m3/h |
1987 |
m3/h |
|
200x200 |
0,032 |
173 |
m3/h |
230 |
m3/h |
288 |
m3/h |
346 |
m3/h |
461 |
m3/h |
576 |
m3/h |
691 |
m3/h |
806 |
m3/h |
922 |
m3/h |
|
200x250 |
0,040 |
217 |
m3/h |
289 |
m3/h |
361 |
m3/h |
433 |
m3/h |
577 |
m3/h |
722 |
m3/h |
866 |
m3/h |
1011 |
m3/h |
1155 |
m3/h |
|
200x300 |
0,048 |
260 |
m3/h |
347 |
m3/h |
434 |
m3/h |
521 |
m3/h |
694 |
m3/h |
868 |
m3/h |
1041 |
m3/h |
1215 |
m3/h |
1388 |
m3/h |
|
200x350 |
0,056 |
304 |
m3/h |
405 |
m3/h |
507 |
m3/h |
608 |
m3/h |
811 |
m3/h |
1013 |
m3/h |
1216 |
m3/h |
1419 |
m3/h |
1621 |
m3/h |
|
200x400 |
0,064 |
348 |
m3/h |
464 |
m3/h |
580 |
m3/h |
696 |
m3/h |
927 |
m3/h |
1159 |
m3/h |
1391 |
m3/h |
1622 |
m3/h |
1855 |
m3/h |
|
200x450 |
0,073 |
392 |
m3/h |
522 |
m3/h |
653 |
m3/h |
783 |
m3/h |
1044 |
m3/h |
1305 |
m3/h |
1566 |
m3/h |
1827 |
m3/h |
2088 |
m3/h |
|
200x500 |
0,081 |
435 |
m3/h |
580 |
m3/h |
725 |
m3/h |
870 |
m3/h |
1161 |
m3/h |
1451 |
m3/h |
1741 |
m3/h |
2031 |
m3/h |
2321 |
m3/h |
|
200x600 |
0,093 |
503 |
m3/h |
671 |
m3/h |
839 |
m3/h |
1007 |
m3/h |
1342 |
m3/h |
1678 |
m3/h |
2013 |
m3/h |
2349 |
m3/h |
2684 |
m3/h |
|
200x700 |
0,109 |
591 |
m3/h |
788 |
m3/h |
985 |
m3/h |
1182 |
m3/h |
1575 |
m3/h |
1969 |
m3/h |
2363 |
m3/h |
2757 |
m3/h |
3151 |
m3/h |
|
200x750 |
0,118 |
635 |
m3/h |
846 |
m3/h |
1058 |
m3/h |
1269 |
m3/h |
1692 |
m3/h |
2115 |
m3/h |
2538 |
m3/h |
2961 |
m3/h |
3384 |
m3/h |
|
200x800 |
0,126 |
678 |
m3/h |
904 |
m3/h |
1130 |
m3/h |
1356 |
m3/h |
1809 |
m3/h |
2261 |
m3/h |
2713 |
m3/h |
3165 |
m3/h |
3617 |
m3/h |
|
250x250 |
0,050 |
267 |
m3/h |
356 |
m3/h |
446 |
m3/h |
535 |
m3/h |
713 |
m3/h |
891 |
m3/h |
1069 |
m3/h |
1247 |
m3/h |
1426 |
m3/h |
|
250x300 |
0,060 |
321 |
m3/h |
428 |
m3/h |
536 |
m3/h |
643 |
m3/h |
857 |
m3/h |
1071 |
m3/h |
1285 |
m3/h |
1499 |
m3/h |
1714 |
m3/h |
|
250x350 |
0,070 |
375 |
m3/h |
500 |
m3/h |
626 |
m3/h |
751 |
m3/h |
1000 |
m3/h |
1251 |
m3/h |
1501 |
m3/h |
1751 |
m3/h |
2002 |
m3/h |
|
250x400 |
0,080 |
429 |
m3/h |
572 |
m3/h |
716 |
m3/h |
859 |
m3/h |
1145 |
m3/h |
1431 |
m3/h |
1717 |
m3/h |
2003 |
m3/h |
2290 |
m3/h |
|
250x500 |
0,100 |
537 |
m3/h |
716 |
m3/h |
896 |
m3/h |
1075 |
m3/h |
1433 |
m3/h |
1791 |
m3/h |
2149 |
m3/h |
2507 |
m3/h |
2866 |
m3/h |
|
250x600 |
0,115 |
621 |
m3/h |
828 |
m3/h |
1035 |
m3/h |
1242 |
m3/h |
1656 |
m3/h |
2070 |
m3/h |
2484 |
m3/h |
2898 |
m3/h |
3312 |
m3/h |
|
250x700 |
0,135 |
729 |
m3/h |
972 |
m3/h |
1215 |
m3/h |
1458 |
m3/h |
1944 |
m3/h |
2430 |
m3/h |
2916 |
m3/h |
3402 |
m3/h |
3888 |
m3/h |
|
250x750 |
0,145 |
783 |
m3/h |
1044 |
m3/h |
1305 |
m3/h |
1566 |
m3/h |
2088 |
m3/h |
2610 |
m3/h |
3132 |
m3/h |
3654 |
m3/h |
4176 |
m3/h |
|
250x800 |
0,155 |
837 |
m3/h |
1116 |
m3/h |
1395 |
m3/h |
1674 |
m3/h |
2232 |
m3/h |
2790 |
m3/h |
3348 |
m3/h |
3906 |
m3/h |
4464 |
m3/h |
|
250x1000 |
0,195 |
1053 |
m3/h |
1404 |
m3/h |
1755 |
m3/h |
2106 |
m3/h |
2808 |
m3/h |
3510 |
m3/h |
4212 |
m3/h |
4914 |
m3/h |
5616 |
m3/h |
|
300x300 |
0,072 |
389 |
m3/h |
518 |
m3/h |
648 |
m3/h |
778 |
m3/h |
1037 |
m3/h |
1296 |
m3/h |
1555 |
m3/h |
1814 |
m3/h |
2074 |
m3/h |
|
300x350 |
0,084 |
454 |
m3/h |
606 |
m3/h |
757 |
m3/h |
908 |
m3/h |
1211 |
m3/h |
1514 |
m3/h |
1817 |
m3/h |
2119 |
m3/h |
2422 |
m3/h |
|
300x400 |
0,096 |
519 |
m3/h |
693 |
m3/h |
866 |
m3/h |
1039 |
m3/h |
1385 |
m3/h |
1732 |
m3/h |
2078 |
m3/h |
2424 |
m3/h |
2771 |
m3/h |
|
300x450 |
0,108 |
585 |
m3/h |
780 |
m3/h |
975 |
m3/h |
1170 |
m3/h |
1560 |
m3/h |
1949 |
m3/h |
2339 |
m3/h |
2729 |
m3/h |
3119 |
m3/h |
|
300x500 |
0,120 |
650 |
m3/h |
867 |
m3/h |
1084 |
m3/h |
1300 |
m3/h |
1734 |
m3/h |
2167 |
m3/h |
2601 |
m3/h |
3034 |
m3/h |
3468 |
m3/h |
|
300x600 |
0,139 |
752 |
m3/h |
1002 |
m3/h |
1253 |
m3/h |
1503 |
m3/h |
2004 |
m3/h |
2506 |
m3/h |
3007 |
m3/h |
3508 |
m3/h |
4009 |
m3/h |
RETURN GRILLES SELECTION TABLE -
2
|
NECK
SIZE |
EFFECTIVE
AREA
|
AIR
VELOCITY m/s |
|||||||||||||||||
|
1,5 m/s |
2 m/s |
2,5 m/s |
3 m/s |
4 m/s |
5 m/s |
6 m/s |
7 m/s |
8 m/s |
|||||||||||
|
300x700 |
0,163 |
882 |
m3/h |
1176 |
m3/h |
1471 |
m3/h |
1765 |
m3/h |
2353 |
m3/h |
2941 |
m3/h |
3529 |
m3/h |
4118 |
m3/h |
4706 |
m3/h |
|
300x750 |
0,176 |
948 |
m3/h |
1264 |
m3/h |
1580 |
m3/h |
1895 |
m3/h |
2527 |
m3/h |
3159 |
m3/h |
3791 |
m3/h |
4423 |
m3/h |
5054 |
m3/h |
|
300x800 |
0,188 |
1013 |
m3/h |
1351 |
m3/h |
1688 |
m3/h |
2026 |
m3/h |
2701 |
m3/h |
3377 |
m3/h |
4052 |
m3/h |
4727 |
m3/h |
5403 |
m3/h |
|
300x900 |
0,212 |
1144 |
m3/h |
1525 |
m3/h |
1906 |
m3/h |
2287 |
m3/h |
3050 |
m3/h |
3812 |
m3/h |
4575 |
m3/h |
5337 |
m3/h |
6099 |
m3/h |
|
350x350 |
0,097 |
525 |
m3/h |
701 |
m3/h |
876 |
m3/h |
1051 |
m3/h |
1401 |
m3/h |
1751 |
m3/h |
2102 |
m3/h |
2452 |
m3/h |
2802 |
m3/h |
|
350x400 |
0,111 |
601 |
m3/h |
801 |
m3/h |
1002 |
m3/h |
1202 |
m3/h |
1603 |
m3/h |
2003 |
m3/h |
2404 |
m3/h |
2805 |
m3/h |
3205 |
m3/h |
|
350x450 |
0,125 |
677 |
m3/h |
902 |
m3/h |
1128 |
m3/h |
1353 |
m3/h |
1804 |
m3/h |
2255 |
m3/h |
2706 |
m3/h |
3158 |
m3/h |
3609 |
m3/h |
|
350x500 |
0,139 |
752 |
m3/h |
1003 |
m3/h |
1254 |
m3/h |
1504 |
m3/h |
2006 |
m3/h |
2507 |
m3/h |
3009 |
m3/h |
3510 |
m3/h |
4011 |
m3/h |
|
350x600 |
0,161 |
870 |
m3/h |
1160 |
m3/h |
1450 |
m3/h |
1740 |
m3/h |
2320 |
m3/h |
2900 |
m3/h |
3480 |
m3/h |
4060 |
m3/h |
4640 |
m3/h |
|
350x700 |
0,189 |
1021 |
m3/h |
1362 |
m3/h |
1702 |
m3/h |
2042 |
m3/h |
2723 |
m3/h |
3404 |
m3/h |
4085 |
m3/h |
4765 |
m3/h |
5446 |
m3/h |
|
350x750 |
0,203 |
1097 |
m3/h |
1462 |
m3/h |
1828 |
m3/h |
2194 |
m3/h |
2925 |
m3/h |
3656 |
m3/h |
4387 |
m3/h |
5118 |
m3/h |
5849 |
m3/h |
|
350x800 |
0,217 |
1172 |
m3/h |
1563 |
m3/h |
1954 |
m3/h |
2345 |
m3/h |
3126 |
m3/h |
3908 |
m3/h |
4689 |
m3/h |
5471 |
m3/h |
6252 |
m3/h |
|
350x900 |
0,245 |
1324 |
m3/h |
1765 |
m3/h |
2206 |
m3/h |
2467 |
m3/h |
3529 |
m3/h |
4412 |
m3/h |
5294 |
m3/h |
6177 |
m3/h |
7059 |
m3/h |
|
350x1000 |
0,273 |
1475 |
m3/h |
1966 |
m3/h |
2458 |
m3/h |
2949 |
m3/h |
3933 |
m3/h |
4916 |
m3/h |
5899 |
m3/h |
6882 |
m3/h |
7865 |
m3/h |
|
400x400 |
0,128 |
691 |
m3/h |
922 |
m3/h |
1152 |
m3/h |
1382 |
m3/h |
1843 |
m3/h |
2304 |
m3/h |
2765 |
m3/h |
3226 |
m3/h |
3686 |
m3/h |
|
400x500 |
0,160 |
865 |
m3/h |
1153 |
m3/h |
1442 |
m3/h |
1730 |
m3/h |
2307 |
m3/h |
2884 |
m3/h |
3460 |
m3/h |
4037 |
m3/h |
4614 |
m3/h |
|
400x600 |
0,187 |
1011 |
m3/h |
1349 |
m3/h |
1686 |
m3/h |
2023 |
m3/h |
2697 |
m3/h |
3371 |
m3/h |
4046 |
m3/h |
4720 |
m3/h |
5394 |
m3/h |
|
400x700 |
0,220 |
1186 |
m3/h |
1582 |
m3/h |
1977 |
m3/h |
2373 |
m3/h |
3164 |
m3/h |
3955 |
m3/h |
4746 |
m3/h |
5536 |
m3/h |
6327 |
m3/h |
|
400x800 |
0,252 |
1361 |
m3/h |
1815 |
m3/h |
2269 |
m3/h |
2722 |
m3/h |
3630 |
m3/h |
4538 |
m3/h |
5445 |
m3/h |
6353 |
m3/h |
7260 |
m3/h |
|
400x900 |
0,285 |
1536 |
m3/h |
2048 |
m3/h |
2561 |
m3/h |
3073 |
m3/h |
4097 |
m3/h |
5121 |
m3/h |
6145 |
m3/h |
7169 |
m3/h |
8194 |
m3/h |
|
400x1000 |
0,317 |
1711 |
m3/h |
2282 |
m3/h |
2852 |
m3/h |
3423 |
m3/h |
4563 |
m3/h |
5704 |
m3/h |
6845 |
m3/h |
7986 |
m3/h |
9127 |
m3/h |
|
500x500 |
0,200 |
1080 |
m3/h |
1440 |
m3/h |
1800 |
m3/h |
2160 |
m3/h |
2880 |
m3/h |
3600 |
m3/h |
4320 |
m3/h |
5040 |
m3/h |
5760 |
m3/h |
|
500x600 |
0,234 |
1261 |
m3/h |
1681 |
m3/h |
2102 |
m3/h |
2522 |
m3/h |
3362 |
m3/h |
4203 |
m3/h |
5044 |
m3/h |
5884 |
m3/h |
6725 |
m3/h |
|
500x750 |
0,294 |
1588 |
m3/h |
2118 |
m3/h |
2647 |
m3/h |
3176 |
m3/h |
4235 |
m3/h |
5294 |
m3/h |
6353 |
m3/h |
7411 |
m3/h |
8470 |
m3/h |
|
500x1000 |
0,395 |
2134 |
m3/h |
2845 |
m3/h |
3556 |
m3/h |
4267 |
m3/h |
5689 |
m3/h |
7112 |
m3/h |
8534 |
m3/h |
9957 |
m3/h |
11379 |
m3/h |
|
600x600 |
0,269 |
1455 |
m3/h |
1940 |
m3/h |
2425 |
m3/h |
2910 |
m3/h |
3879 |
m3/h |
4849 |
m3/h |
5819 |
m3/h |
6789 |
m3/h |
7759 |
m3/h |
|
600x750 |
0,340 |
1835 |
m3/h |
2447 |
m3/h |
3058 |
m3/h |
3670 |
m3/h |
4893 |
m3/h |
6116 |
m3/h |
7340 |
m3/h |
8563 |
m3/h |
9786 |
m3/h |
|
600x900 |
0,410 |
2212 |
m3/h |
2950 |
m3/h |
3687 |
m3/h |
4425 |
m3/h |
5899 |
m3/h |
7375 |
m3/h |
8850 |
m3/h |
10324 |
m3/h |
11799 |
m3/h |
|
600x1000 |
0,454 |
2451 |
m3/h |
3267 |
m3/h |
4084 |
m3/h |
4901 |
m3/h |
6335 |
m3/h |
8168 |
m3/h |
9802 |
m3/h |
11436 |
m3/h |
13069 |
m3/h |
|
600x1200 |
0,539 |
2909 |
m3/h |
3879 |
m3/h |
4848 |
m3/h |
5818 |
m3/h |
7757 |
m3/h |
9697 |
m3/h |
11636 |
m3/h |
13575 |
m3/h |
15514 |
m3/h |
|
750x750 |
0,432 |
2330 |
m3/h |
3107 |
m3/h |
3884 |
m3/h |
4660 |
m3/h |
6214 |
m3/h |
7767 |
m3/h |
9320 |
m3/h |
10874 |
m3/h |
12427 |
m3/h |
|
750x900 |
0,520 |
2810 |
m3/h |
3746 |
m3/h |
4683 |
m3/h |
5619 |
m3/h |
7492 |
m3/h |
9365 |
m3/h |
11238 |
m3/h |
13112 |
m3/h |
14985 |
m3/h |
|
750x1000 |
0,580 |
3129 |
m3/h |
4172 |
m3/h |
5216 |
m3/h |
6259 |
m3/h |
8345 |
m3/h |
10431 |
m3/h |
12517 |
m3/h |
14603 |
m3/h |
16690 |
m3/h |
|
750x1200 |
0,685 |
3701 |
m3/h |
4934 |
m3/h |
6168 |
m3/h |
7401 |
m3/h |
9868 |
m3/h |
12335 |
m3/h |
14802 |
m3/h |
17270 |
m3/h |
19737 |
m3/h |
|
750x1500 |
0,863 |
4660 |
m3/h |
6213 |
m3/h |
7766 |
m3/h |
9319 |
m3/h |
12426 |
m3/h |
15532 |
m3/h |
18639 |
m3/h |
21745 |
m3/h |
24852 |
m3/h |
|
900x900 |
0,624 |
3369 |
m3/h |
4492 |
m3/h |
5615 |
m3/h |
6738 |
m3/h |
8984 |
m3/h |
11230 |
m3/h |
13476 |
m3/h |
15722 |
m3/h |
17968 |
m3/h |
|
900x1000 |
0,695 |
3752 |
m3/h |
5003 |
m3/h |
6254 |
m3/h |
7505 |
m3/h |
10007 |
m3/h |
12508 |
m3/h |
15010 |
m3/h |
17511 |
m3/h |
20013 |
m3/h |
|
900x1200 |
0,822 |
4437 |
m3/h |
5916 |
m3/h |
7395 |
m3/h |
8874 |
m3/h |
11832 |
m3/h |
14791 |
m3/h |
17749 |
m3/h |
20707 |
m3/h |
23665 |
m3/h |
|
1000x1000 |
0,777 |
4196 |
m3/h |
5594 |
m3/h |
6993 |
m3/h |
8392 |
m3/h |
11189 |
m3/h |
13986 |
m3/h |
16738 |
m3/h |
19580 |
m3/h |
22378 |
m3/h |
|
1000x1200 |
0,919 |
4962 |
m3/h |
6616 |
m3/h |
8270 |
m3/h |
9924 |
m3/h |
13232 |
m3/h |
16540 |
m3/h |
19848 |
m3/h |
23156 |
m3/h |
26464 |
m3/h |
|
1200x1200 |
1,087 |
5868 |
m3/h |
7824 |
m3/h |
9779 |
m3/h |
11735 |
m3/h |
15647 |
m3/h |
19559 |
m3/h |
23471 |
m3/h |
27382 |
m3/h |
31294 |
m3/h |
GRILLE
SELECTION
1-
Determine the air volume according to the place and
number of the grilles.
2-
Select the velocity according to the used area.
3-
Determine the effective area from air volume and
velocity values.
4-
Find the size from effective area table.

DATA
DIAGRAMS

Effective
Area Table

PRESSURE
LOSS AND NOISE LEVELS


MOUNTING
DETAILS



RETURN
GRILLES PLENUM BOX MOUNTING DETAILS
1 – TOP
ENTRY PLENUM BOX MOUNTING DETAILS

2 - SID
ENTRY PLENUM BOX MOUNTING DETAILS

RETURN
GRILLE ORDER CODE
|
TM |
Y |
28 |
PKD |
FB9010 |
VD |
W
300X200 |
|
|
|
|
|
|
|
|
||
|
|
|
|
|
|
|
||
|
TM-Y: Horizantel Blade |
|
|
W: Neck
Size |
||||
|
TM-D: Vertical Blade |
|
|
C: Frame
Size |
||||
|
|
|||||||
|
|
00: without Mounting |
||||||
|
22: Frame=22mm 28: Frame=28mm |
VD: Screw
Mounting |
||||||
|
32: Frame=32mm |
KL:
Clips Mounting |
||||||
|
|
ST: Spring
Mounting |
||||||
|
000: without Damper |
00: without
coating |
||||||
|
ZKD: Opposite Blade Damper |
EL: Satin
Aluminium |
||||||
|
PKD: ParalleL Blade Damper |
FB----:
Powder Coated RAL |
||||||